Доброе время суток, дорогие друзья.
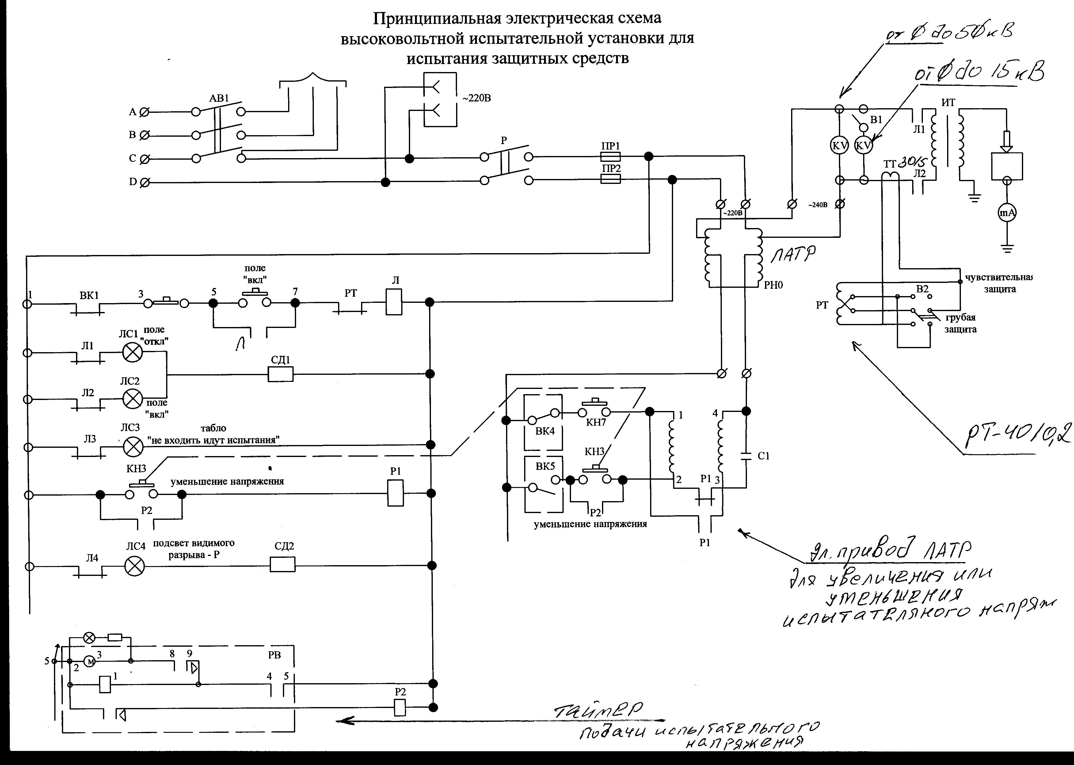
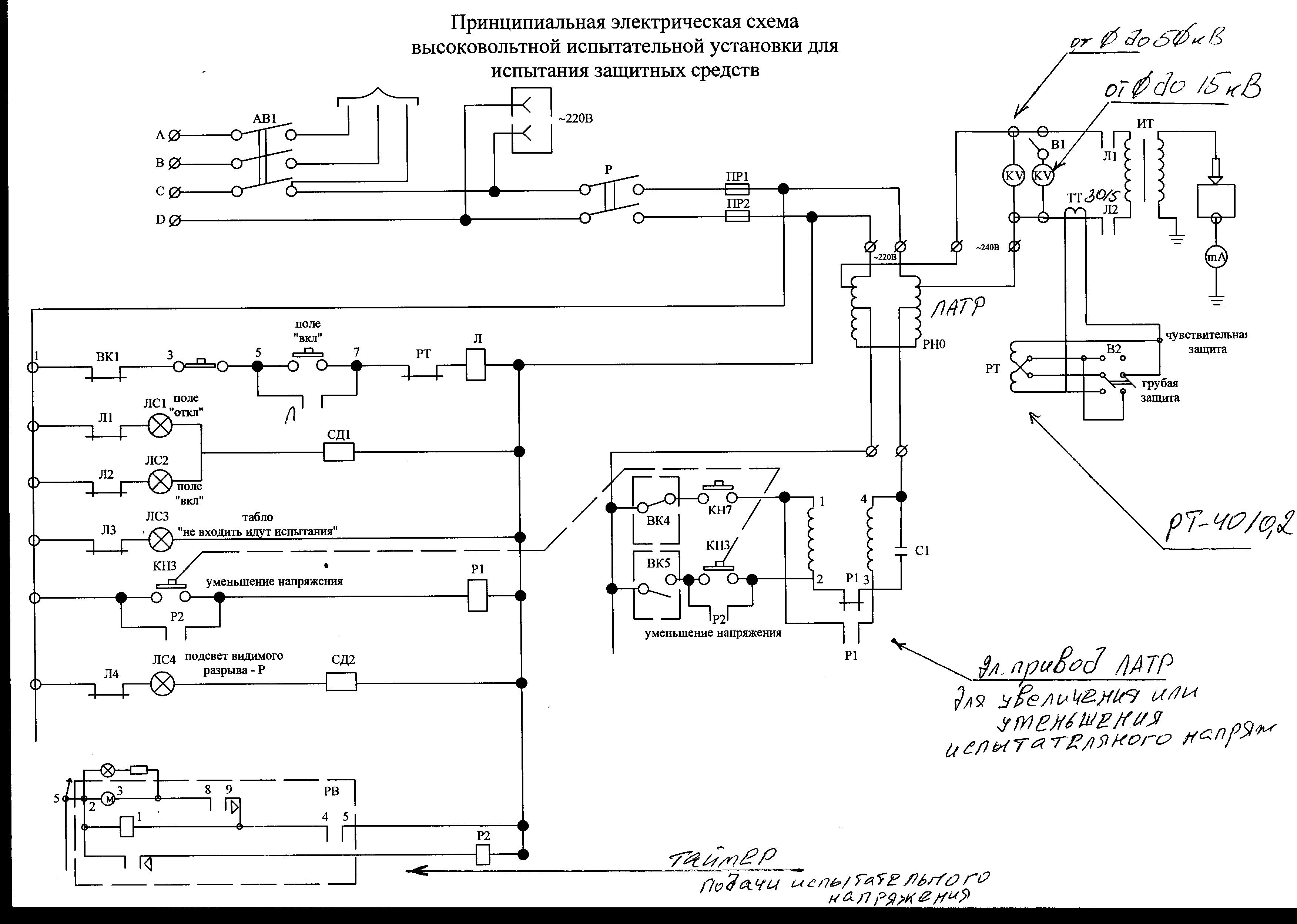
Нашел схему электрическую принципиальную на мою стационарную испытательную установку. Ее и выкладываю сегодня как дополнение к статье «Стационарная испытательная установка»
Установка собрана в соответствии с требованиями Инструкции по применению и испытанию средств защиты, используемых в электроустановках.
Принцип работы прост:
Помещаем в установку испытываемый объект.
Включаем установку.
Поднимаем напряжение до необходимого уровня.
Выставляем таймером время (длительность испытания).
Если испытание прошло успешно, то напряжение снимается автоматически.
Если произошел пробой или возник ток утечки(проводимости) более 6мА, то установка просто отключается, а напряжение с ЛАТРа снимается вручную.
Для испытания бот (ток утечки (проводимости) возможен 7,5мА) возможно с помощью тумблера переключить уставку реле на 12 мА.
При испытании трансформаторного масла на пробой миллиамперметр выводится из схемы, чтобы избежать повреждение прибора.
[adsense]На сем прощаюсь. И желаю успехов всем.
